Pt1000TG7/M felületi hőérzékelő, 5 m kábellel
Pt1000 ellenállásos hőérzékelő.
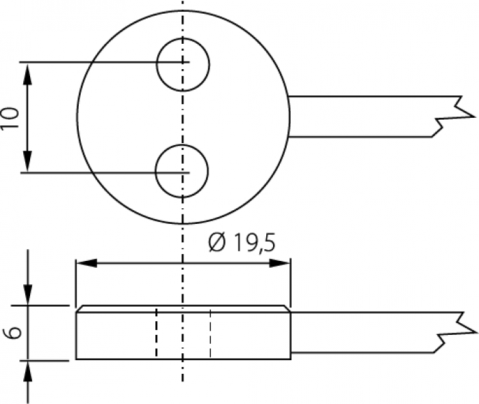
Réz felületi, kábel csatlakozású hőérzékelő, adott hosszúságú kábellel, MiniDIN csatlakozóval, -30...+200°C hőmérséklet tartományra, pontossága ±(0,15+0,002 |t|). Átmérő -18 mm, vastagság - 6,5 mm, 2-vezetékes.
Rögzítés M4 csavarral, vagy öntapadó ragasztóval. Védettsége IP65.
Más kábelhosszal is rendelhető. Kérjük használja a termék kiválasztást segítőt.
-
TermékkódSN166M
